高压线路无功自动补偿装置
高压线路自动无功补偿装置一般安装于供电线路的杆塔上,可实时监测高压线路的电压、电流、无功及功率因数等电网参数,并根据这些参数对高压电网进行监测补偿;对提高线路功率因数及电压、减少线损,改善电网供电质量起到重要作用。高压无功补偿装置用途很大。

1:无功智能自动补偿,装置自动跟踪线路无功变化,采用真空接触器为电容器投切开关,适合用于通断容性电流,耐用性高。
2:装置采用多级自动投切控制功能,使高压线路无功补偿曲线更加平滑、效果更好。
3:采用高可靠的微处理器及控制技术,实现了补偿系统的自动控制、数据统计和存储的功能(记录并保存两个月)。
4:可通过GPRS远程无线通讯方式实现远距离采集数据及控制目的。
5:专为户外环境设计,防雨、防潮、防高低温、防腐设计,可适应不同地理气候特点。
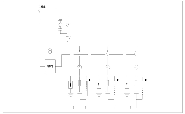
线路补偿装置主要由电容器、控制器单元、真空接触器、电压互感器、避雷器、户外跌落式熔断器等组成。控制器根据电压互感器和电流互感器采集的实时数据进行分析和判断,发出实时控制命令;真空接触器收到控制指令,即实时投切动作,完成电容器的通断控制。户外跌落式熔断器对装置进行短路保护,杜绝故障对装置和线路造成损害。
一:工作环境条件
a.室外环境空气温度:-35℃~+45℃
b.环境空气相对湿度:40℃时为20%~90%;
c.大气压力:海拔2000米及以下。
二:周围环境要求
a.不允许有较强的振动与冲击;
b.不允许有腐蚀和破坏绝缘的气体、导电介质、含有危险的介质存在,不允许有严重的霉菌存在。

安装方式:高压线路无功补偿装置安装于供电线路杆塔上,电容柜安装于双柱间横担上或单柱的三角支撑架上,柜体下端离地面距离大于2.5m。安装支架和包箍使用优质槽钢或角钢,采取镀锌处理。
-
用料讲究 品质保证
与国内外知名品牌供应商形成战略合作,成熟,稳定的原材料供应渠道,性能稳定,质量有保障。
封闭设计 安全可靠
封闭式母排结构设计,模块化组装,安全整洁,彻底摆脱带电体裸露、结构散乱、线束缠绕等一系列安全隐患。
-
-
熔丝保护 响应快速
创造性采用熔断器代替传统微型断路器,6KA(Icu)→100KA(Icu)改变的不是一个数字,而是一种安全观念!
精确投切 无涌流
精确的过零点投切技术,降低电网传输损耗,抑制电压波动,解决电容器鼓肚、电抗器发热、熔丝断路的困扰
研发实力
拥有专业的研发技术团队,专注于无功补偿领域的研究,不断创新
生产实力
5000平方米生产车间,从国外引进 生产设备,满足任何行业的需求
质量检测
具备完善的检测实验设备,配备专业化质检人员,质量有保障
贴心服务
安排人员定期巡检,上门检修等服务,24h全天候售后服务体系
合肥众升科技有限公司于2001年8月成立,坐落于安徽省合肥市肥东县经济开发区,致力于无功补偿领域的研发、设计和生产,是一家拥有自主知识产权的电气企业。公司先后获得了中国质量认证中心的ccc认证、ISO9001质量体系认证、国家电器产品质量监督检验中心型式试验的认可。
|
热线电话:400-176-0551 公司传真:0551-65372899 客服QQ:2726472126 邮箱:2726472126@qq.com 地址:安徽省肥东县经济开发区柳孜路 |
采购:高压线路无功自动补偿装置
- *联系人:
- *手机:
- 公司名称:
- 邮箱:
- *采购意向:
-
*验证码:
跟此产品相关的产品 / Related Products
联系众升
服务热线:400-176-0551- 手机:400-176-0551
- 传真:0551-65372899
- 客服QQ:2726472126
- 邮箱:2726472126@qq.com
- 地址:安徽省肥东县经济开发区柳孜路




合肥众升科技有限公司

